
| 产品型号 | DJ-TU29T |
| 外形 | U型 |
| 信号输出 | NPN/PNP可切换 |
| 信号状态 | 常开NO/常闭NC可切换 |
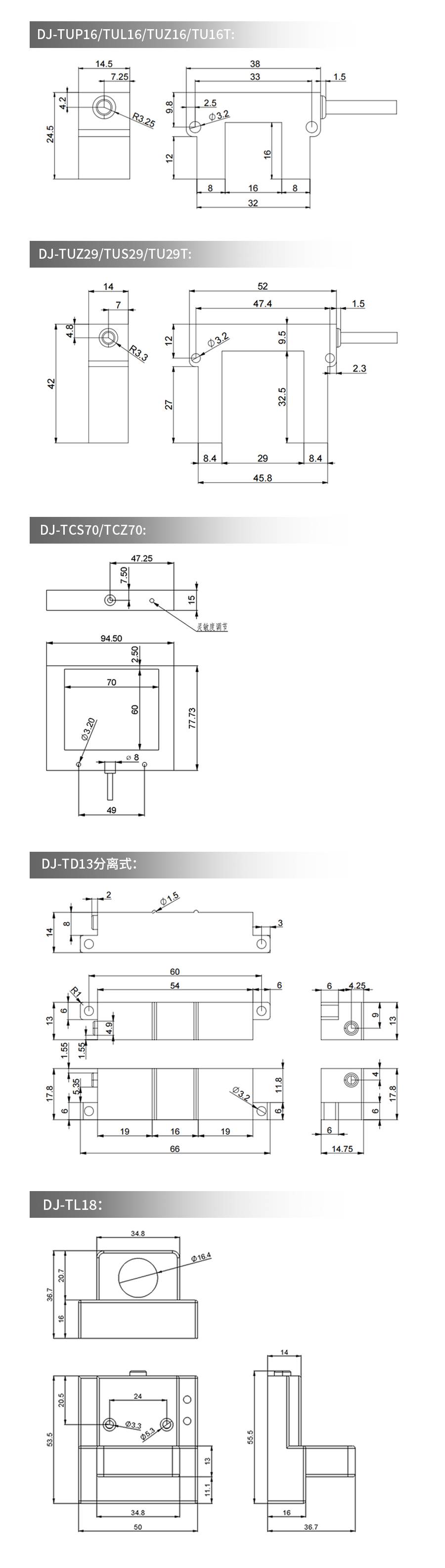
| 检测范围 | 29*32mm |
| 灵敏度调节方式 | Tech-in按键示教 |
| 检测对象 | 液体(液滴和液柱)、固体 |
| 响应时间 | 2ms |
| 耗电流(平均) | 15mA |
| 检测精度 | 1mm |
| 检测方式 | 对射红外光幕 |
| 光源 | 红外940nm |
| 电源电压 | 6-24V |
| 保护电路 | 电源反向连接保护、输出短路保护 |
| 环境照明度 | 受光面照明度白炽灯:3,000Lux以下、太阳光:10,00Lux以下 |
| 周围温度 | 动作时:-25~+55℃、保存时:-40~+70℃ (不结冰·结露) |
| 周围湿度 | 动作时:35~85%RH、保存时:35~95%RH (不结露) |
| 防护结构 | IP65(特殊应用场合可做IP67) |
| 绝缘电阻 | 20MΩ以上(DC500V兆欧表) |
| 耐压 | AC1,000V50/60Hz1min |
| 振动(耐久) | 10~55Hz 复振幅1.5mmX、Y、Z各方向 2h |
| 冲击(耐久) | 500m/s2X、Y、Z各方向 3次 |
| 保护结构 | 塑料外壳 |
| 连接方式 | 直接电缆2m |
| 使用注意事项 | 1、本产品为红外光电传感器,请避免在阳光下或有阳光衍射的窗边使用,如果无法避免,需要在阳光照射方向用物体遮挡一下阳光。2、测柱状液体时,需要垂直安装。 |



关注微信号,惊喜等你来
x